Questão 1
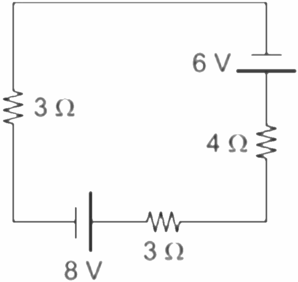
(Espcex – Aman) O desenho abaixo representa um circuito elétrico composto por resistores ôhmicos, um gerador ideal e um receptor ideal.
A potência elétrica dissipada no resistor de 4 Ω do circuito é:
a) 0,16 W
b) 0,20 W
c) 0,40 W
d) 0,72 W
e) 0,80 W
Questão 2
(Uneb-BA) Um resistor ôhmico, quando submetido a uma ddp de 40 V, é atravessado por uma corrente elétrica de intensidade 20 A. Quando a corrente que o atravessa for igual a 4 A, a ddp, em volts, nos seus terminais, será:
a) 8
b) 12
c) 16
d) 20
e) 30
Questão 3
(Enem) O desfibrilador salva vidas de pessoas que são acometidas por ataques cardíacos ou arritmias. Ele dispõe de um capacitor que pode ser carregado por uma fonte com uma alta tensão. Usando o desfibrilador, pode-se fornecer energia ao coração, por meio de um choque elétrico, para que ele volte a pulsar novamente em seu ritmo normal. Um socorrista dispõe de um desfibrilador com capacitor de 70 microfarads que pode armazenar cerca de 220 J de energia, quando conectado a uma tensão de 2 500 V.
O valor da carga armazenada por esse desfibrilador, em coulomb, é de
a) 0,015.
b) 0,088.
c) 0,175.
d) 3,15.
e) 11,4.
Questão 4
(UFSC) Considere o circuito da figura abaixo, onde estão associadas três resistências (R1, R2 e R3) e três baterias (E1, E2, E3) de resistência internas desprezíveis:

Um voltímetro ideal colocado entre Q e P indicará:
a) 11V
b) 5V
c) 15V
d) 1V
e) zero
Questão 5
Encontre a ddp de um circuito elétrico simples que é percorrido por uma corrente elétrica de 30 A e que dissipa uma potência elétrica de 1200 W.
a) 500 V
b) 1000 V
c) 2000 V
d) 3000 V
e) 4000 V
Questão 6
Detemine a capacitância equivalente em um circuito elétrico simples com dois capacitores ligados em série e de capacitância de 2,75 mF.
a) 0,375 mF
b) 0,545 mF
c) 0,965 mF
d) 1,375 mF
e) 2,375 mF
Questão 7
Em um circuito elétrico simples, temos um gerador elétrico com uma resistência elétrica interna de 1,3 Ω, sendo ele atravessado por uma corrente elétrica de 5 A quando conectado a uma ddp de 110 V. Com base nessas informações, encontre o valor da força eletromotriz (f.e.m.) desse gerador elétrico.
a) 105,9 V
b) 116,5 V
c) 124,7 V
d) 139,1 V
e) 156,2 V
Questão 8
Detemine a capacitância equivalente em um circuito elétrico simples com dois capacitores ligados em paralelo de capacitância 10,8 mF.
a) 18,6 mF
b) 20,3 mF
c) 21,6 mF
d) 23,3 mF
e) 25,6 mF
Questão 9
Qual deve ser a corrente elétrica que percorre um circuito elétrico simples composto por um resistor de resistência elétrica 50Ω e uma bateria de 180 V?
a) 2,4 A
b) 2,8 A
c) 3,2 A
d) 3,6 A
e) 4,0 A
Questão 10
Ao associarmos em série, em um circuito elétrico simples, dez resistores elétricos de resistência elétrica 1,5 ohm, obtemos uma resistência elétrica equivalente de:
a) 11 Ω
b) 12 Ω
c) 13 Ω
d) 14 Ω
e) 15 Ω
Questão 11
Em um circuito elétrico simples associado a uma ddp de 220 V, um resistor de resistência elétrica R é percorrido por uma corrente elétrica de 1,6 A. Isso significa que a resistência elétrica desse resistor é de?
a) 131,5 Ω
b) 134,5 Ω
c) 137,5 Ω
d) 140,5 Ω
e) 143,5 Ω
Questão 12
Quais das alternativas apresentam as unidades de medidas correspondentes às grandezas físicas estudadas nos circuitos elétricos simples?
I. A força eletromotriz é medida em Farad.
II. A capacitância é medida em Coulomb.
III. A diferença de potencial elétrico é medida em Volt.
IV. A resistência elétrica é medida em Ohm.
a) Alternativas I e II.
b) Alternativas III e IV.
c) Alternativas I e V.
d) Alternativas II e III.
e) Alternativas II e IV.
Resposta Questão 1
Letra A. Primeiramente calcularemos a corrente elétrica usando a lei das malhas de Kirchhoff e adotando o sentido da corrente elétrica e da malha como anti-horário.
+3i - 8 + 3i + 4i + 6 = 0
+10i - 2 = 0
10i = 2
\(i= \frac {2}{10}\)
i = 0,2A
Por fim, calcularemos a potência elétrica dissipada nesse resistor usando a sua fórmula:
P = U ∙ i
P = 0,8 ∙ 0,2
P = 0,16W
Resposta Questão 2
Letra A. Primeiramente calcularemos a resistência elétrica do resistor usando a fórmula da 1ª lei de Ohm:
U = R ∙ i
40 = R ∙ 20
R = \(\frac {40}{20}\)
R = 2Ω
Por fim, calcularemos a tensão elétrica quando o resistor é atravessado por uma corrente elétrica de 4 A usando a mesma fórmula:
U = R ∙ i
U = 2 ∙ 4
U = 8V
Resposta Questão 3
Letra C. Calcularemos a carga armazenada por esse desfibrilador usando a fórmula que a relaciona a diferença de potencial elétrico e a capacitância:
Q = C ∙ U
Q = 10 ∙ 10-6 ∙ 2500
Q = 0,175C
Resposta Questão 4
Letra A. Primeiramente calcularemos a corrente elétrica usando a lei das malhas de Kirchhoff e adotando o sentido da corrente elétrica e da malha como anti-horário.
+2i + 3 + 2i - 18 + 1i + 5 = 0
5i - 10 = 0
5i = 10
i = \(\frac {10}{5}\)
i = 2A
Então, no trecho QP, o voltímetro medirá a tensão:
V = - E3 - R3 ∙ i + E2
V = - 3 - 2 ∙ 2 + 18
V = - 3 - 4 + 18
V = 11V
Resposta Questão 5
Letra E. Calcularemos a diferença de potencial elétrico nesse circuito elétrico usando a fórmula de potência elétrica dissipada:
P = U ∙ i
1200 = U ∙ 0,3
U = \(\frac {1200}{0,3}\)
U = 4000 V
Resposta Questão 6
Letra D. Calcularemos a capacitância equivalente dos capacitores associados em série usando a fórmula:
\(C_{eq} = \frac{C_{1} \cdot C_{2}}{C_{1} + C_{2}} \)
\(C_{eq} = \frac{2,75 \ \cdot \ 2,75}{2,75 \ + \ 2,75} \)
\(C_{eq} = \frac{7,5625}{5,5}\)
\(C_{eq}=1,375 mF\)
Resposta Questão 7
Letra B. Calcularemos a força eletromotriz desse gerador elétrico usando a fórmula do gerador elétrico:
U = ε - r ∙ i
110 = ε - 1,3 ∙ 5
110 = ε - 6,5
ε = 110 + 6,5
ε = 116,5 V
Resposta Questão 8
Letra C.
Calcularemos a capacitância equivalente dos capacitores associados em paralelo usando a fórmula:
Ceq = C1 + C2
Ceq = 10,8 + 10,8
Ceq = 21,6 mF
Resposta Questão 9
Letra D. Calcularemos a corrente elétrica nesse circuito elétrico simples usando a fórmula da 1ª lei de Ohm:
U = R ∙ i
180 = 50 ∙ i
i = \(\frac {180}{50}\)
i = 3,6 A
Resposta Questão 10
Letra E. Calcularemos a resistência elétrica equivalente nessa associação em série usando a fórmula:
Req = R1 + R2 + R3 + R4 + R5 + R6 + R7 + R8 + R9 + R10
Req = 1,5 + 1,5 + 1,5 + 1,5 + 1,5 + 1,5 + 1,5 + 1,5 + 1,5 + 1,5
Req = 15 Ω
Resposta Questão 11
Letra C. Calcularemos a resistência elétrica do resistor nesse circuito elétrico simples usando a 1ª lei de Ohm:
\(R = \frac{U}{i}\)
\(R = \frac{220}{1,6}\)
\(R=137,5 \ Ω \)
Resposta Questão 12
Letra B. Apenas as alternativas III e IV estão corretas. Abaixo, em vermelho, vemos a correção das alternativas incorretas.
I. Incorreta. A força eletromotriz é medida em Volt.
II. Incorreta. A capacitância é medida em Farad.
III. Correta.
IV. Correta.